| 产品标题:YH23JD-15P2高压换向阀,stnc换向阀,索诺天工控制元件 产品ID:VIB20120519134347734 品 牌:STNC索诺天工 所在地:中国 上海 价 格:面议 (大量采购价格面议) 库存状态:货期待查 更新日期:2025-10-22 15:13:29 咨询电话:(+86)021-51699285 咨询Q Q: 2695337323 |
产品使用压力高,安全可靠,已广泛应用于吹瓶机等高压气动系统中。尤其成功地应用于大容量特殊状聚胺脂瓶的生产设备中。

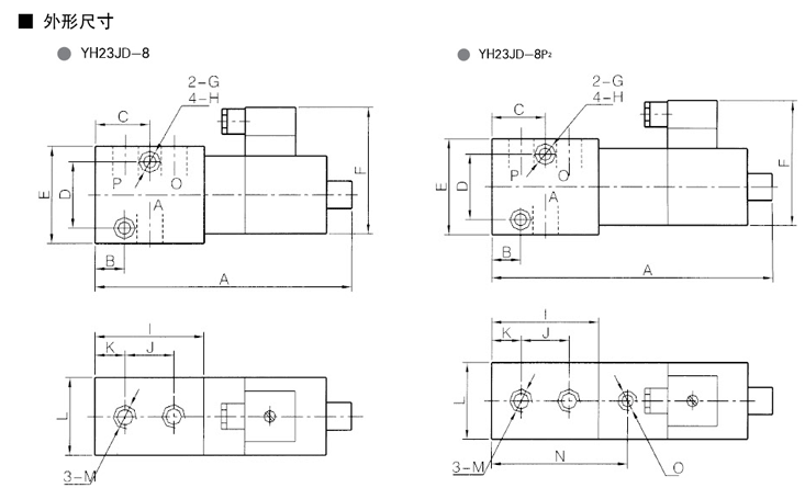
技术参数
|
项目\规格 |
YH23JD-8 YH23JD-8P² |
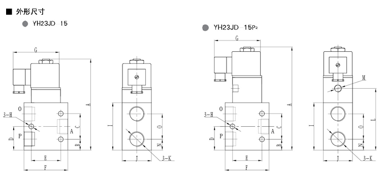
YH23JD-15 YH23JD-15P² |
|
使用压力范围 |
0.15~2.4MPa | |
|
介质温度 |
-5~60℃ | |
|
工作介质 |
空气 | |
|
润滑 |
无油 | |
|
通经 |
8mm |
15mm |
|
换向时间 |
≤0.04S |
≤0.08S |
|
接管口径 |
G1/4 |
G1/2 |

|
型号 |
K |
A |
B |
C |
D |
E |
F |
G |
H |
I |
J |
K |
L |
N |
O |
|
YH23JD-8 |
G1/4 |
145 |
15 |
28 |
34 |
50 |
65 |
6.5 |
11 |
56 |
25 |
15.5 |
40 |
- |
- |
|
YH23JD-8P² |
G1/4 |
132 |
75 |
G1/8 |
