021-51699285
首页
关于我们
公司简介
关于品牌
荣誉资质
产品中心
最新產品
設變產品
电磁阀
电磁阀(管路型)
气动&机械阀
三点组合&三联件
压缩空气干燥机
标准气压缸
薄型气缸
迷你型气缸
圆型气缸
导杆型气缸
旋转气缸
夹持气缸
机械手
无杆气缸
阻挡气缸
油压缸
其他辅助装置
新闻中心
公司新闻
行业动态
联系我们
产品展示
LFZB8-10A 电流互感器
首页
/
产品中心
/
绝缘件及套管系列
电力计量箱、组合互感器
电流互感器
零序电流互感器
限流电抗器
电压互感器
放电线圈、柱上油断路器、变压器
绝缘件及套管系列
产品标题:LFZB8-10A 电流互感器
产品ID:
VIB20100524103323734
品 牌:
SANAI三爱
所在地:中国 上海
价 格:面议 (大量采购价格面议)
库存状态:
货期待查
更新日期:2023-3-3 5:45:46
咨询电话:(+86)021-51699285
咨询Q Q:
2695337323
产品简述
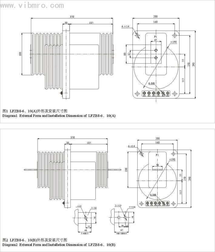
LFZB8-6、10(A、B) 电流互感器
产品详情
产品型号
NAEH.SCH.EL.NPN D:S-NS-SMTO-4U-K
电磁阀 MOZH-3-M3-L-K -SA
NUTABD.,BEFEST. DGPXX- 12/18- -BZ
NUTABD.,BEFEST. DGPXX- 25- -BZ
NUTABD.,BEFEST. DGPXX- 32- -BZ
双作用气缸 DNGV- 32- PPV-S6 -SA
双作用气缸 DNGV- 40- PPV-S6 -SA
双作用气缸 DNGV- 50- PPV-S6 -SA
双作用气缸 DNGV- 63- PPV-S6 -SA
双作用气缸 DNGV- 80- PPV-S6 -SA
双作用气缸 DNGV-100- PPV-S6 -SA
双作用气缸 DNGV-125- PPV-S6 -SA
标准插座 MSSD-EB-M12-MONO
标准插座 MSSD-EB-M12-DUO
前一页
LFZB8-6、10A 电流互感器
后一页
LFZB8-6、10A 电流互感器
产品中心
更多产品
MORE+
CHN□3-10Q 绝缘件及套管
LAJS-10Q 电流互感器
JDJ-3、6、10 户外电压互感器
LAJ-10Q 电流互感器
CHN□3-10Q 绝缘件及套管
FDZ2 放电线圈
SCT 超小型精密电流互感器
LMZD2-20 电流互感器
真空吸盘 ESS-15-SF
真空吸盘 ESS-15-SNA
真空吸盘 ESS-20-SN
真空吸盘 ESS-20-SU
电话:
021-51699285
传真:
021-51698592
手机:
13611905823
地址:上海市宝山区恒高路127弄6号楼2202室
首 页
关于我们
公司简介
品牌介绍
企业荣誉
产品中心
最新產品
設變產品
电磁阀
电磁阀(管路型)
气动&机械阀
三点组合&三联件
压缩空气干燥机
标准气压缸
薄型气缸
迷你型气缸
圆型气缸
导杆型气缸
旋转气缸
夹持气缸
机械手
无杆气缸
阻挡气缸
油压缸
其他辅助装置
新闻中心
公司新闻
行业动态
联系我们