| 产品标题:4J210R-06,4J2系列二位五通控制阀,EASUN亿日气动方向控制阀 产品ID:VIB20121010083507734 品 牌:EASUN亿日 所在地:中国 上海 价 格:面议 (大量采购价格面议) 库存状态:货期待查 更新日期:2025-4-24 0:02:49 咨询电话:(+86)021-51699285 咨询Q Q: 2695337323 |
4J210R-06,4J210PP-06,4J210PB-06,4J210EB-06,4J210TB-06,4J210R-08,4J210PP-08,4J210TB-08,4J210EB-08,4J210TB-08,EASUN亿日气动方向控制阀,气动控制阀,气动温度控制阀,方向控制阀,控制阀,流量控制阀,自力式流量控制阀,压力控制阀,压差控制阀,自力式压差控制阀,水利控制阀
![]() | |||||||||||||||||||||||||||||||||||||||||||||||||||||||||||||||||||||||||||||||||||||||||||||||||||
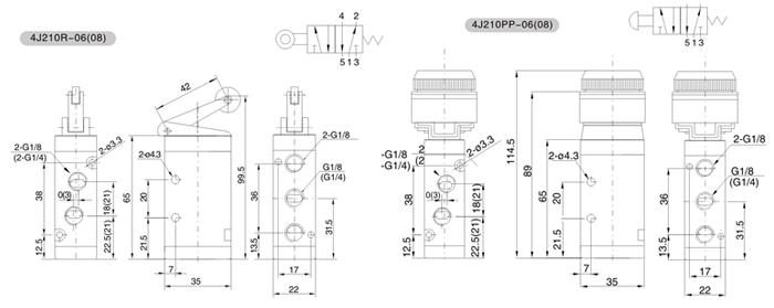
■ 型号命名![]() ■ 举例 ▲ 欲订购接管螺纹为1/4",旋钮式二位五通的4J2系列控制阀,其正确的订购码为:4J210-TB-08 ■ 技术参数 | |||||||||||||||||||||||||||||||||||||||||||||||||||||||||||||||||||||||||||||||||||||||||||||||||||
![]() ![]() | |||||||||||||||||||||||||||||||||||||||||||||||||||||||||||||||||||||||||||||||||||||||||||||||||||
