产品展示
K34S-8D手转阀,stnc手转阀,索诺天工控制元件
首页 / 产品中心 / 转阀
产品标题:K34S-8D手转阀,stnc手转阀,索诺天工控制元件
产品ID:VIB20120519165813734
品  牌:STNC索诺天工
所在地:中国 上海
价  格:面议 (大量采购价格面议)
库存状态:货期待查
更新日期:2025-4-24 3:47:41
咨询电话:(+86)021-51699285
咨询Q Q: 2695337323
产品简述

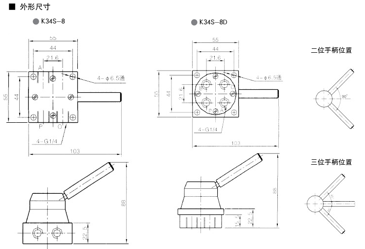
K23S-8,K24S-8,K34S-8,K34-8S,K34S-8D

产品详情



技术参数

项目\规格
K23S-8
K24S-8
K34S-8
K34-8S
K34S-8D
接管螺纹
G1/4
工作压力MPa
0~1.0MPa
介质温度
-10~60℃
有效截面积mm²
10
接管方式
侧接式
底接式
寿命(万次)
≥150万次