产品展示
ZX15-80电阻器
首页 / 产品中心 / 电阻器
产品标题:ZX15-80电阻器
产品ID:VIB20091212154837734
品  牌:立新起重开关
所在地:中国 上海
价  格:面议 (大量采购价格面议)
库存状态:货期待查
更新日期:2025-10-7 0:52:38
咨询电话:(+86)021-51699285
咨询Q Q: 2695337323
产品简述
ZX15型电阻器
产品详情

1、适用范围

ZX15系列电阻器为开启式,适用于交流50HZ、电压至660V以下及直流电压至440V以下的电路中,供作起动,调速、制动、放电及其它用途。其容量为4.6KW,是由铁铬铝合金带绕制成螺旋形管状电阻元件装成。可以代替ZX1系列电阻器应用。具有防震、不易断裂等优点。

海拔高度不超过2500米;
周围介质温度不超过+40℃及不低于-25℃,在24h内的平均温度不超过+35℃;
当+20℃至-5℃时空气相对湿度不大于85%;
周围介质中无足以腐蚀金属和破坏绝缘及有爆 炸危险的气体及导电尘埃;
必须有防雨雪设备并不会充满水蒸汽的地区;
在无剧烈震动或颠跛的地区。


2、型号含义



3、主要技术参数

型号

允许电流(A)

总电阻(Ω)

电阻元件

元件

发热时间常数T(秒)

数量

ZX15-5

215

0.10

ZY-0.08

186

5

ZX15-7

181

0.14

ZY-0.112

354

5

ZX15-10

152

0.20

ZY-0.16

252

5

ZX15-14

128

0.30

ZY-0.24

144

5

ZX15-20

107

0.40

ZY-0.08

186

5

ZX15-28

91

0.56

ZY-0.112

354

5

ZX15-40

76

0.80

ZY-0.16

252

5

ZX15-55

64

1.2

ZY-0.24

144

5

ZX15-80

54

1.6

ZY-0.32

225

5

ZX15-110

46

2.1

ZY-0.42

255

5

ZX15-75

39

3.0

ZY-0.60

192

5

ZX15-105

33

4.2

ZY-0.84

78

5

ZX15-140

29

5.6

ZY-1.12

50

5

ZX15-200

24

8.0

ZY-1.6

45

5

ZX15-280

20

11.0

ZY-2.2

90

5


4、结构特征

    ZX15型系列电阻器采用铁铬铝合金电阻材料,它是一种高电阻电热合金,具有工作温度高,使用寿命长,比电阻大,表面负荷高,电阻温度系数小,比重小等一系列优点。采用铁铬铝合金带材绕制成电阻元件装配ZX15型系列电阻器,以代替ZX1型系列电阻

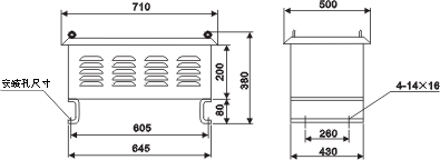
5、外形及安装尺寸
ZX15(ZX10)型户内电阻器外形及安装尺寸



ZX15(ZX10)型户外电阻器外形及安装尺